ই-কার্গো

পি-টাইপ R500 রিয়ার হাব মোটর

পি-টাইপ R500 ই-কার্গো বাইক রিয়ার হাব মোটরটি বিশেষ করে কার্গো অ্যাপ্লিকেশনের জন্য ডিজাইন করা হয়েছে, এটি 500W এর রেটেড পাওয়ার গর্ব করে, যা ভারী-শুল্ক লোডিং এবং দীর্ঘ-দূরত্বের পরিবহনের জন্য শক্তিশালী এবং স্থিতিশীল শক্তি সরবরাহ করে। এটি জটিল শহুরে পরিস্থিতিতে, ঢালে বা সম্পূর্ণরূপে লোড হয়ে গেলে, উল্লেখযোগ্যভাবে কার্গো দক্ষতা বৃদ্ধি করে দক্ষ এবং স্থিতিশীল কর্মক্ষমতা নিশ্চিত করে। উপরন্তু, এটি সমতল ভূখণ্ডে এবং উচ্চ গতিতে শক্তি খরচ কমায়, সামগ্রিক সাইক্লিং দক্ষতা উন্নত করে।

কী প্যারামিটার
মোটর গঠন: রেটেড ভোল্টেজ(V): রেটেড পাওয়ার(W):
রিয়ার-ড্রাইভ হাব মোটর 36-48 350-500
পিক টর্ক (N.m.): ওজন (কেজি): পুরানো (মিমি):
50 3.85 160
বিস্তারিত তথ্য
  • পি-টাইপ R500 রিয়ার হাব মোটর
  • পি-টাইপ R500 রিয়ার হাব মোটর
Ningbo Yinzhou HENTACH Electromechanical Co., Ltd. Product Parameters Ningbo Yinzhou HENTACH Electromechanical Co., Ltd. Drawing Ningbo Yinzhou HENTACH Electromechanical Co., Ltd. Contact Us

মূল তথ্য

রেট পাওয়ার 350-500
রেটেড ভোল্টেজ 36-48
চাকার ব্যাস 20-26
গতি পরিসীমা 25-35
সর্বোচ্চ টর্ক 50
গিয়ার অনুপাত 5
ওজন (কেজি) 3.85

ইনস্টলেশন পরামিতি

ব্রেক ডিস্ক ব্রেক
টর্ক সেন্সর ক্যাসেট না
ক্যাবলিং রুট এক্সেল কেন্দ্রীয় বাম
স্পোক হোল 2-18-Ф3.2
জলরোধী রেটিং IP54 (IP65 পর্যন্ত)
ফ্লাইহুইল/স্প্রকেট হুইল রোটারি 7-গতি
সার্টিফিকেট TUV/EN15194/RoHS

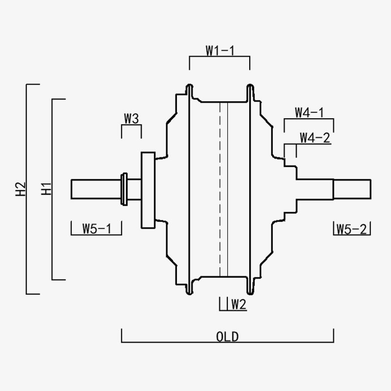
H1/ OD: 136.5
H2/মোটর OD: 158.5
W1(-1/-2): 45.5
W2: 6
W3: 15
W4(-1/-2): 37/9
W5(-1/-2): 38/28
পুরাতন: 160
এক্সেল দৈর্ঘ্য: 226
Ningbo Yinzhou HENTACH Electromechanical Co., Ltd.
আমাদের সাথে যোগাযোগ করুন
  • জমা দিন এবং পাঠান
Ningbo Yinzhou HENTACH Electromechanical Co., Ltd.
আমাদের আলাদা করে কী করে
  • একটি শক্তিশালী রিয়ার-ড্রাইভ হাব মোটর যা বিশেষভাবে বৈদ্যুতিক সহায়তাযুক্ত ফ্যাট টায়ার বাইকের জন্য ডিজাইন করা হয়েছে, একটি 7-স্পিড রোটারি ফ্লাইহুইল, 160 মিমি গিয়ার ওপেনিং, এবং 500w পর্যন্ত রেট করা পাওয়ার।

  • পেটেন্ট প্লাস্টিকের ইস্পাত গিয়ার: নাইলন গিয়ারের 5 গুণ টর্ক; জীবনকাল 40,000 কিলোমিটারের বেশি; বিক্রয়োত্তর কম

  • 50NM এর বেশি স্টল টর্ক, বিশেষভাবে eCargo এর জন্য ডিজাইন করা হয়েছে।

আমরা কে এর চেয়ে বেশি 20 বছর উৎপাদন অভিজ্ঞতা।

Ningbo Yinzhou HENTACH Electromechanical Co., Ltd. (পূর্বে Hengtai Motor) 1995 সালে প্রতিষ্ঠিত এবং পূর্বে "Hengtai Motor" (আমাদের কোম্পানির চীনা নাম) নামে পরিচিত, আমরা আনুষ্ঠানিকভাবে 2020 সালে ইংরেজি নাম "HENTACH Motor" গ্রহণ করেছি। উভয় নামই 30 বছরেরও বেশি সময় ধরে ইলেক্ট্রোমেকানিকাল উদ্ভাবনের জন্য নিবেদিত একই বিশ্বস্ত প্রস্তুতকারকের প্রতিনিধিত্ব করে। ক্ষুদ্র DC মোটর, বৈদ্যুতিক/মোটরসাইকেল হাব মোটর, এবং বৈদ্যুতিক যানবাহনের জন্য অ্যালুমিনিয়াম-ম্যাগনেসিয়াম অ্যালয়গুলির কাস্টিং এবং নির্ভুল প্রক্রিয়াকরণে বিশেষীকরণ করে, আমরা একটি কঠোর ISO 9001 মান নিয়ন্ত্রণ ব্যবস্থা, পরিপক্ক ব্যবস্থাপনা অনুশীলন এবং অত্যাধুনিক উত্পাদন/পরীক্ষাযোগ্য সমাধানগুলিকে পুনরায় সরবরাহ করার জন্য একত্রিত করি।

With end-to-end capabilities spanning from raw material casting to final product delivery, we serve diverse markets including e-bikes, cargo vehicles, AGVs, golf cars, agricultural machinery, and e-karting. Our 9,000+㎡ campus (5,000㎡ built area) houses over 60 units of advanced production equipment, including 500-ton die-casting machines, precision CNC machine tools, laser marking systems, micro-arc oxidation lines, and two dedicated electric vehicle motor test benches. This infrastructure ensures efficient production and strict compliance with international quality standards.

HENTACH (Hengtai) এ, আমরা উচ্চ-মানের উপকরণ এবং মালিকানাধীন প্রযুক্তিকে অগ্রাধিকার দিই—আমাদের পেটেন্ট নাইলন-স্টিল গিয়ার আমাদের প্রকৌশল উৎকর্ষতার প্রমাণ। স্থায়িত্ব যাচাই করার জন্য, আমরা একবার 30,000 মাইলের বেশি মোটরগুলির জন্য একটি মাইলেজ গ্যারান্টি প্রোগ্রাম চালু করেছি। ফলাফল? 50 টিরও বেশি মোটর শুধুমাত্র এই মানদণ্ডটি পূরণ করেনি বরং এটিকে অতিক্রম করেছে, কিছু একটি চিত্তাকর্ষক 50,000 মাইল পর্যন্ত পৌঁছেছে। এই বাস্তব-বিশ্বের পারফরম্যান্স নির্ভরযোগ্যতার উপর আমাদের অটল ফোকাসকে প্রতিফলিত করে এবং আমাদেরকে আরও স্মার্ট, শক্তিশালী মোটর সমাধানের জন্য ক্রমাগত উদ্ভাবন করতে অনুপ্রাণিত করে।
বিশ্বব্যাপী Hengtai Motor এবং HENTACH মোটর নামে পরিচিত ব্র্যান্ডটিকে বিশ্বাস করুন—যেখানে পেটেন্ট করা স্টিল গিয়ার উদ্ভাবন প্রমাণিত স্থায়িত্ব পূরণ করে।

দ্বারা প্রত্যয়িত সার্টিফিকেশন