ই-ফ্যাট/ই-কার্গো

এস-টাইপ প্রো আরএফ রিয়ার হাব মোটর

এস-টাইপ প্রো আরএফ রিয়ার হাব মোটর (ফ্রিহুইল) ই-কার্গো এবং ই-ফ্যাট বাইকের জন্য ডিজাইন করা হয়েছে, যা 750W থেকে 1500W এর রেট পাওয়ার অফার করে। এটিতে একটি 7-স্পীড ফ্রিহুইল, একটি 175 মিমি ড্রপআউট এবং 145Nm এর বেশি টর্ক রয়েছে। এই মোটরটি কম গতির অবস্থায় শক্তিশালী ট্র্যাকশন প্রদান করে, খাড়া ঢালে স্থিতিশীল আরোহণের ক্ষমতা নিশ্চিত করে এবং নরম বালি এবং কার্যকরভাবে উচ্চ-লোড অবস্থায় পাওয়ার ঘাটতিগুলি সমাধান করে। HENTACH এর পেটেন্ট করা প্লাস্টিক-স্টিল গিয়ারের সাথে সজ্জিত, এটি ঐতিহ্যবাহী নাইলন গিয়ারের টর্ক ক্ষমতার 5 গুণ অফার করে, যা 40,000 কিলোমিটারের বেশি স্থায়ী হয় এবং রক্ষণাবেক্ষণের খরচ উল্লেখযোগ্যভাবে হ্রাস করে। 1000W এর বেশি ই-বাইক অ্যাপ্লিকেশনে, শুধুমাত্র Hengtai-এর প্লাস্টিক-স্টিল গিয়ার 100Nm-এর উপরে একটানা টর্ক সহ্য করতে পারে।

কী প্যারামিটার
মোটর গঠন: রেটেড ভোল্টেজ(V): রেটেড পাওয়ার(W):
/ 36-60 600-1500
পিক টর্ক (N.m.): ওজন (কেজি): পুরানো (মিমি):
145 5.8 175
বিস্তারিত তথ্য
  • এস-টাইপ প্রো আরএফ রিয়ার হাব মোটর
  • এস-টাইপ প্রো আরএফ রিয়ার হাব মোটর
Ningbo Yinzhou HENTACH Electromechanical Co., Ltd. Product Parameters Ningbo Yinzhou HENTACH Electromechanical Co., Ltd. Drawing Ningbo Yinzhou HENTACH Electromechanical Co., Ltd. Contact Us

মূল তথ্য

রেট পাওয়ার 600-1500
রেটেড ভোল্টেজ 36-60
চাকার ব্যাস 20-26
গতি পরিসীমা 35-65
সর্বোচ্চ টর্ক 145
গিয়ার অনুপাত 5
ওজন (কেজি) 5.8

ইনস্টলেশন পরামিতি

ব্রেক ডিস্ক ব্রেক
টর্ক সেন্সর ক্যাসেট না
ক্যাবলিং রুট এক্সেল সাইড বাম
স্পোক হোল 2-18-Ф3.2
জলরোধী রেটিং IP54 (IP65 পর্যন্ত)
ফ্লাইহুইল/স্প্রকেট হুইল সাত গতির ঘূর্ণায়মান গতি
সার্টিফিকেট TUV/EN15194/RoHS

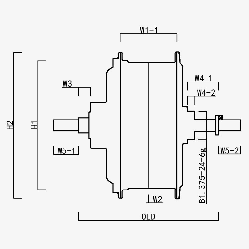
H1/ OD: 162
H2/মোটর OD: 183
W1(-1/-2): 70.8
W2: 0
W3: 15.2
W4(-1/-2): 39/9
W5(-1/-2): 31/27
পুরাতন: 175
এক্সেল দৈর্ঘ্য: 233
Ningbo Yinzhou HENTACH Electromechanical Co., Ltd.
আমাদের সাথে যোগাযোগ করুন
  • জমা দিন এবং পাঠান
Ningbo Yinzhou HENTACH Electromechanical Co., Ltd.
আমাদের আলাদা করে কী করে
  • 175 মিমি খোলা গিয়ার সহ শক্তিশালী রিয়ার ড্রাইভ হাব মোটর, 1500w পর্যন্ত রেটিং।

  • পেটেন্ট প্লাস্টিক গিয়ার উদ্ভাবিত: নাইলন গিয়ারের 5 গুণ টর্ক; জীবনকাল 40,000 কিলোমিটারের বেশি; বিক্রয়োত্তর কম

  • 145NM বা তার বেশি পর্যন্ত স্টল টর্ক, ইফ্যাট/কার্গোর জন্য ডিজাইন করা হয়েছে।

আমরা কে এর চেয়ে বেশি 20 বছর উৎপাদন অভিজ্ঞতা।

Ningbo Yinzhou HENTACH Electromechanical Co., Ltd. (পূর্বে Hengtai Motor) 1995 সালে প্রতিষ্ঠিত এবং পূর্বে "Hengtai Motor" (আমাদের কোম্পানির চীনা নাম) নামে পরিচিত, আমরা আনুষ্ঠানিকভাবে 2020 সালে ইংরেজি নাম "HENTACH Motor" গ্রহণ করেছি। উভয় নামই 30 বছরেরও বেশি সময় ধরে ইলেক্ট্রোমেকানিকাল উদ্ভাবনের জন্য নিবেদিত একই বিশ্বস্ত প্রস্তুতকারকের প্রতিনিধিত্ব করে। ক্ষুদ্র DC মোটর, বৈদ্যুতিক/মোটরসাইকেল হাব মোটর, এবং বৈদ্যুতিক যানবাহনের জন্য অ্যালুমিনিয়াম-ম্যাগনেসিয়াম অ্যালয়গুলির কাস্টিং এবং নির্ভুল প্রক্রিয়াকরণে বিশেষীকরণ করে, আমরা একটি কঠোর ISO 9001 মান নিয়ন্ত্রণ ব্যবস্থা, পরিপক্ক ব্যবস্থাপনা অনুশীলন এবং অত্যাধুনিক উত্পাদন/পরীক্ষাযোগ্য সমাধানগুলিকে পুনরায় সরবরাহ করার জন্য একত্রিত করি।

With end-to-end capabilities spanning from raw material casting to final product delivery, we serve diverse markets including e-bikes, cargo vehicles, AGVs, golf cars, agricultural machinery, and e-karting. Our 9,000+㎡ campus (5,000㎡ built area) houses over 60 units of advanced production equipment, including 500-ton die-casting machines, precision CNC machine tools, laser marking systems, micro-arc oxidation lines, and two dedicated electric vehicle motor test benches. This infrastructure ensures efficient production and strict compliance with international quality standards.

HENTACH (Hengtai) এ, আমরা উচ্চ-মানের উপকরণ এবং মালিকানাধীন প্রযুক্তিকে অগ্রাধিকার দিই—আমাদের পেটেন্ট নাইলন-স্টিল গিয়ার আমাদের প্রকৌশল উৎকর্ষতার প্রমাণ। স্থায়িত্ব যাচাই করার জন্য, আমরা একবার 30,000 মাইলের বেশি মোটরগুলির জন্য একটি মাইলেজ গ্যারান্টি প্রোগ্রাম চালু করেছি। ফলাফল? 50 টিরও বেশি মোটর শুধুমাত্র এই মানদণ্ডটি পূরণ করেনি বরং এটিকে অতিক্রম করেছে, কিছু একটি চিত্তাকর্ষক 50,000 মাইল পর্যন্ত পৌঁছেছে। এই বাস্তব-বিশ্বের পারফরম্যান্স নির্ভরযোগ্যতার উপর আমাদের অটল ফোকাসকে প্রতিফলিত করে এবং আমাদেরকে আরও স্মার্ট, শক্তিশালী মোটর সমাধানের জন্য ক্রমাগত উদ্ভাবন করতে অনুপ্রাণিত করে।
বিশ্বব্যাপী Hengtai Motor এবং HENTACH মোটর নামে পরিচিত ব্র্যান্ডটিকে বিশ্বাস করুন—যেখানে পেটেন্ট করা স্টিল গিয়ার উদ্ভাবন প্রমাণিত স্থায়িত্ব পূরণ করে।

দ্বারা প্রত্যয়িত সার্টিফিকেশন