ই-রোড / ই-সিটি

HT MINI ফ্রিহুইল রিয়ার হাব মোটর

ফ্রিহুইল হাব মোটরের HT MINI থ্রেডটি ই-সিটি এবং রোড বাইকের জন্য ডিজাইন করা হয়েছে, যা এটিকে বাজারে সবচেয়ে ছোট বাহ্যিক রটার হাব মোটরগুলির মধ্যে একটি করে তুলেছে। এটি 36V থেকে 48V ব্যাটারি সিস্টেমের সাথে সামঞ্জস্যপূর্ণ, মাত্র 1.95kg ওজনের, এবং 30Nm এর বেশি টর্ক সহ 220W এর রেট পাওয়ার অফার করে৷ মোটর 40Nm এর স্টল টর্ক সহ 250W পর্যন্ত পৌঁছাতে পারে। এর বাহ্যিক রটার ডিজাইন ক্রমবর্ধমান ত্রুটি হ্রাস করে, শক্তি, স্থিতিশীলতা এবং স্থায়িত্ব বাড়ায়।

কী প্যারামিটার
মোটর গঠন: রেটেড ভোল্টেজ(V): রেটেড পাওয়ার(W):
আউটরানার হাব মোটর 36-48 180-250
পিক টর্ক (N.m.): ওজন (কেজি): পুরাতন (মিমি):
40 1.95(220w) 135
বিস্তারিত তথ্য
  • HT MINI ফ্রিহুইল রিয়ার হাব মোটর
  • HT MINI ফ্রিহুইল রিয়ার হাব মোটর
Ningbo Yinzhou HENTACH Electromechanical Co., Ltd. Product Parameters Ningbo Yinzhou HENTACH Electromechanical Co., Ltd. Drawing Ningbo Yinzhou HENTACH Electromechanical Co., Ltd. Contact Us

মূল তথ্য

রেট পাওয়ার 180-250
রেটেড ভোল্টেজ 36-48
চাকার ব্যাস 20-28
গতি পরিসীমা 25-38
সর্বোচ্চ টর্ক 40
গিয়ার অনুপাত 5
ওজন (কেজি) 1.95(220w)

ইনস্টলেশন পরামিতি

ব্রেক ডিস্ক ব্রেক
টর্ক সেন্সর ক্যাসেট না
ক্যাবলিং রুট এক্সেল সেন্ট্রাল রাইট
স্পোক হোল 2-18-Ф3.2
জলরোধী রেটিং IP54 (IP65 পর্যন্ত)
ফ্লাইহুইল/স্প্রকেট হুইল রোটারি 7-গতি
সার্টিফিকেট TUV/EN15194/RoHS

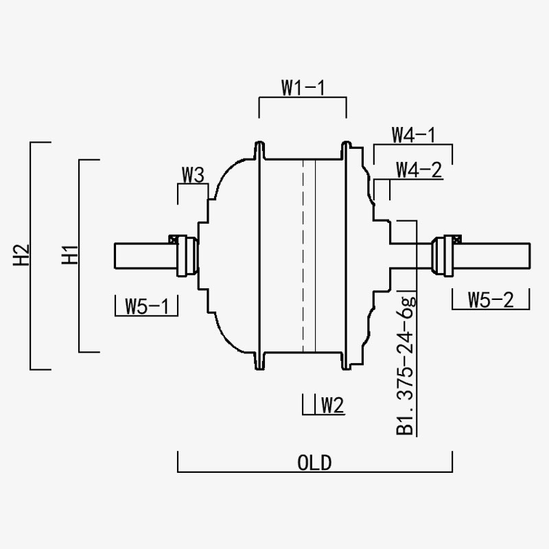
H1/ OD: 95.5
H2/মোটর OD: 112.5
W1(-1/-2): 43
W2: 6
W3: 15
W4(-1/-2): 39/9
W5(-1/-2): ৩১/৩৯
পুরাতন: 135
এক্সেল দৈর্ঘ্য: 205
Ningbo Yinzhou HENTACH Electromechanical Co., Ltd.
আমাদের সাথে যোগাযোগ করুন
  • জমা দিন এবং পাঠান
Ningbo Yinzhou HENTACH Electromechanical Co., Ltd.
আমাদের আলাদা করে কী করে
  • মোটরটির বাইরের ব্যাস 95mm, একটি 7-স্পীড রোটারি ফ্লাইহুইল, যার ওজন মাত্র 1.95kg, একটি আল্ট্রা-লাইট আউটার রটার মোটর, 250w এর রেট পাওয়ার এবং 40NM পর্যন্ত স্টল টর্ক। একজন ই-বাইক পার্টনার।

  • পেটেন্ট প্লাস্টিকের ইস্পাত গিয়ার: নাইলন গিয়ারের 5 গুণ টর্ক; জীবনকাল 40,000 কিলোমিটারের বেশি; বিক্রয়োত্তর কম

  • বাইরের রটার মোটর: অভ্যন্তরীণ রটারের চেয়ে আরও স্থিতিশীল কাঠামো, কম ব্যর্থতার হার

আমরা কে এর চেয়ে বেশি 20 বছর উৎপাদন অভিজ্ঞতা।

Ningbo Yinzhou HENTACH Electromechanical Co., Ltd. (পূর্বে Hengtai Motor) 1995 সালে প্রতিষ্ঠিত এবং পূর্বে "Hengtai Motor" (আমাদের কোম্পানির চীনা নাম) নামে পরিচিত, আমরা আনুষ্ঠানিকভাবে 2020 সালে ইংরেজি নাম "HENTACH Motor" গ্রহণ করেছি। উভয় নামই 30 বছরেরও বেশি সময় ধরে ইলেক্ট্রোমেকানিকাল উদ্ভাবনের জন্য নিবেদিত একই বিশ্বস্ত প্রস্তুতকারকের প্রতিনিধিত্ব করে। ক্ষুদ্র DC মোটর, বৈদ্যুতিক/মোটরসাইকেল হাব মোটর, এবং বৈদ্যুতিক যানবাহনের জন্য অ্যালুমিনিয়াম-ম্যাগনেসিয়াম অ্যালয়গুলির কাস্টিং এবং নির্ভুল প্রক্রিয়াকরণে বিশেষীকরণ করে, আমরা একটি কঠোর ISO 9001 মান নিয়ন্ত্রণ ব্যবস্থা, পরিপক্ক ব্যবস্থাপনা অনুশীলন এবং অত্যাধুনিক উত্পাদন/পরীক্ষাযোগ্য সমাধানগুলিকে পুনরায় সরবরাহ করার জন্য একত্রিত করি।

With end-to-end capabilities spanning from raw material casting to final product delivery, we serve diverse markets including e-bikes, cargo vehicles, AGVs, golf cars, agricultural machinery, and e-karting. Our 9,000+㎡ campus (5,000㎡ built area) houses over 60 units of advanced production equipment, including 500-ton die-casting machines, precision CNC machine tools, laser marking systems, micro-arc oxidation lines, and two dedicated electric vehicle motor test benches. This infrastructure ensures efficient production and strict compliance with international quality standards.

HENTACH (Hengtai) এ, আমরা উচ্চ-মানের উপকরণ এবং মালিকানাধীন প্রযুক্তিকে অগ্রাধিকার দিই—আমাদের পেটেন্ট নাইলন-স্টিল গিয়ার আমাদের প্রকৌশল উৎকর্ষতার প্রমাণ। স্থায়িত্ব যাচাই করার জন্য, আমরা একবার 30,000 মাইলের বেশি মোটরগুলির জন্য একটি মাইলেজ গ্যারান্টি প্রোগ্রাম চালু করেছি। ফলাফল? 50 টিরও বেশি মোটর শুধুমাত্র এই মানদণ্ডটি পূরণ করেনি বরং এটিকে অতিক্রম করেছে, কিছু একটি চিত্তাকর্ষক 50,000 মাইল পর্যন্ত পৌঁছেছে। এই বাস্তব-বিশ্বের পারফরম্যান্স নির্ভরযোগ্যতার উপর আমাদের অটল ফোকাসকে প্রতিফলিত করে এবং আমাদেরকে আরও স্মার্ট, শক্তিশালী মোটর সমাধানের জন্য ক্রমাগত উদ্ভাবন করতে অনুপ্রাণিত করে।
বিশ্বব্যাপী Hengtai Motor এবং HENTACH মোটর নামে পরিচিত ব্র্যান্ডটিকে বিশ্বাস করুন—যেখানে পেটেন্ট করা স্টিল গিয়ার উদ্ভাবন প্রমাণিত স্থায়িত্ব পূরণ করে।

দ্বারা প্রত্যয়িত সার্টিফিকেশন