eMTB / ই-কার্গো

ই-টাইপ RF500 রিয়ার হাব মোটর

ই-টাইপ RF500 রিয়ার হাব মোটরটি ই-কার্গো এবং ই-এমটিবি বাইকের জন্য ডিজাইন করা হয়েছে, যা 36V/48V সিস্টেমের সাথে সামঞ্জস্যপূর্ণ। এটি 500-750W এর একটি রেটেড পাওয়ার এবং 75Nm এর বেশি টর্ক অফার করে, জটিল ভূখণ্ড এবং ভারী লোডগুলি সহজে পরিচালনা করে। মোটরটি 20-28 ইঞ্চি চাকা সমর্থন করে, মাত্র 4.2 কেজি ওজনের, এবং 5.4 গিয়ার অনুপাত সহ 100 মিমি ড্রপআউট বৈশিষ্ট্যযুক্ত। এই নকশা টর্ক আউটপুট অপ্টিমাইজ করে, কম গতিতে মসৃণ ত্বরণ এবং উন্নত দক্ষতা নিশ্চিত করে৷

কী প্যারামিটার
মোটর গঠন: রেটেড ভোল্টেজ(V): রেটেড পাওয়ার(W):
রিয়ার-ড্রাইভ হাব মোটর 36-48 250-500
পিক টর্ক (N.m.): ওজন (কেজি): পুরানো (মিমি):
75 4.2 135
বিস্তারিত তথ্য
  • ই-টাইপ RF500 রিয়ার হাব মোটর
  • ই-টাইপ RF500 রিয়ার হাব মোটর
Ningbo Yinzhou HENTACH Electromechanical Co., Ltd. Product Parameters Ningbo Yinzhou HENTACH Electromechanical Co., Ltd. Drawing Ningbo Yinzhou HENTACH Electromechanical Co., Ltd. Contact Us

মূল তথ্য

রেট পাওয়ার 250-500
রেটেড ভোল্টেজ 36-48
চাকার ব্যাস 20-28
গতি পরিসীমা 25-38
সর্বোচ্চ টর্ক 75
গিয়ার অনুপাত 5.4
ওজন (কেজি) 4.2

ইনস্টলেশন পরামিতি

ব্রেক ডিস্ক ব্রেক
টর্ক সেন্সর ক্যাসেট না
ক্যাবলিং রুট এক্সেল সেন্ট্রাল রাইট
স্পোক হোল 2-18-Ф3.2
জলরোধী রেটিং IP54 (IP65 পর্যন্ত)
ফ্লাইহুইল/স্প্রকেট হুইল রোটারি ফ্লাই 7-স্পীড/কাফেই(OLD142)
সার্টিফিকেট TUV/EN15194/RoHS

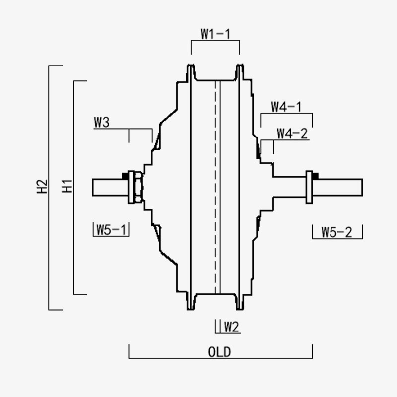
H1/ OD: 157
H2/মোটর OD: 180
W1(-1/-2): 36
W2: 3.75
W3: 15.2
W4(-1/-2): 38/9.5
W5(-1/-2): 26/37
পুরাতন: 135
এক্সেল দৈর্ঘ্য: 198
Ningbo Yinzhou HENTACH Electromechanical Co., Ltd.
আমাদের সাথে যোগাযোগ করুন
  • জমা দিন এবং পাঠান
Ningbo Yinzhou HENTACH Electromechanical Co., Ltd.
আমাদের আলাদা করে কী করে
  • শক্তিশালী রিয়ার-ড্রাইভ হাব মোটর, 135 মিমি গিয়ার খোলা, 500w পর্যন্ত রেট পাওয়ার

  • পেটেন্ট প্লাস্টিকের ইস্পাত গিয়ার: নাইলন গিয়ারের 5 গুণ টর্ক; জীবনকাল 40,000 কিলোমিটারের বেশি; বিক্রয়োত্তর কম

  • 75NM পর্যন্ত স্টল টর্ক, বিশেষভাবে eMTB/কার্গোর জন্য ডিজাইন করা হয়েছে।

আমরা কে এর চেয়ে বেশি 20 বছর উৎপাদন অভিজ্ঞতা।

Ningbo Yinzhou HENTACH Electromechanical Co., Ltd. (পূর্বে Hengtai Motor) 1995 সালে প্রতিষ্ঠিত এবং পূর্বে "Hengtai Motor" (আমাদের কোম্পানির চীনা নাম) নামে পরিচিত, আমরা আনুষ্ঠানিকভাবে 2020 সালে ইংরেজি নাম "HENTACH Motor" গ্রহণ করেছি। উভয় নামই 30 বছরেরও বেশি সময় ধরে ইলেক্ট্রোমেকানিকাল উদ্ভাবনের জন্য নিবেদিত একই বিশ্বস্ত প্রস্তুতকারকের প্রতিনিধিত্ব করে। ক্ষুদ্র DC মোটর, বৈদ্যুতিক/মোটরসাইকেল হাব মোটর, এবং বৈদ্যুতিক যানবাহনের জন্য অ্যালুমিনিয়াম-ম্যাগনেসিয়াম অ্যালয়গুলির কাস্টিং এবং নির্ভুল প্রক্রিয়াকরণে বিশেষীকরণ করে, আমরা একটি কঠোর ISO 9001 মান নিয়ন্ত্রণ ব্যবস্থা, পরিপক্ক ব্যবস্থাপনা অনুশীলন এবং অত্যাধুনিক উত্পাদন/পরীক্ষাযোগ্য সমাধানগুলিকে পুনরায় সরবরাহ করার জন্য একত্রিত করি।

With end-to-end capabilities spanning from raw material casting to final product delivery, we serve diverse markets including e-bikes, cargo vehicles, AGVs, golf cars, agricultural machinery, and e-karting. Our 9,000+㎡ campus (5,000㎡ built area) houses over 60 units of advanced production equipment, including 500-ton die-casting machines, precision CNC machine tools, laser marking systems, micro-arc oxidation lines, and two dedicated electric vehicle motor test benches. This infrastructure ensures efficient production and strict compliance with international quality standards.

HENTACH (Hengtai) এ, আমরা উচ্চ-মানের উপকরণ এবং মালিকানাধীন প্রযুক্তিকে অগ্রাধিকার দিই—আমাদের পেটেন্ট নাইলন-স্টিল গিয়ার আমাদের প্রকৌশল উৎকর্ষতার প্রমাণ। স্থায়িত্ব যাচাই করার জন্য, আমরা একবার 30,000 মাইলের বেশি মোটরগুলির জন্য একটি মাইলেজ গ্যারান্টি প্রোগ্রাম চালু করেছি। ফলাফল? 50 টিরও বেশি মোটর শুধুমাত্র এই মানদণ্ডটি পূরণ করেনি বরং এটিকে অতিক্রম করেছে, কিছু একটি চিত্তাকর্ষক 50,000 মাইল পর্যন্ত পৌঁছেছে। এই বাস্তব-বিশ্বের পারফরম্যান্স নির্ভরযোগ্যতার উপর আমাদের অটল ফোকাসকে প্রতিফলিত করে এবং আমাদেরকে আরও স্মার্ট, শক্তিশালী মোটর সমাধানের জন্য ক্রমাগত উদ্ভাবন করতে অনুপ্রাণিত করে।
বিশ্বব্যাপী Hengtai Motor এবং HENTACH মোটর নামে পরিচিত ব্র্যান্ডটিকে বিশ্বাস করুন—যেখানে পেটেন্ট করা স্টিল গিয়ার উদ্ভাবন প্রমাণিত স্থায়িত্ব পূরণ করে।

দ্বারা প্রত্যয়িত সার্টিফিকেশন