রাস্তা / ই-রাস্তা

ডি-টাইপ থ্রু এক্সেল রিয়ার হাব মোটর

ডি-টাইপ থ্রু অ্যাক্সেল রিয়ার হাব মোটর, ই-এমটিবি এবং ই-রোড/গ্রাভাল বাইকের জন্য ডিজাইন করা হয়েছে, একটি 148 মিমি থ্রু অ্যাক্সেল সহ ওজন মাত্র 2.4 কেজি(ক্যাসেট অন্তর্ভুক্ত)। এর লাইটওয়েট ডিজাইন এবং থ্রু এক্সেল স্ট্রাকচার হাই-স্পিড রাইডিংয়ের সময় উচ্চ শক্তি এবং স্থিতিশীলতা নিশ্চিত করে। 48V 250W এর রেটেড পাওয়ার এবং 50Nm এর বেশি স্টল টর্ক সহ, এটি একটি টর্ক সেন্সর ক্যাসেটের সাথে সামঞ্জস্যপূর্ণ, যা বিভিন্ন ভূখণ্ডের জন্য মসৃণ ত্বরণ এবং প্রতিক্রিয়াশীল কর্মক্ষমতা প্রদান করে৷

কী প্যারামিটার
মোটর গঠন: রেটেড ভোল্টেজ(V): রেটেড পাওয়ার(W):
আউটরানার হাব মোটর 36-48 220-250
পিক টর্ক (N.m.): ওজন (কেজি): পুরাতন (মিমি):
<50NM 2.4 (ক্যাসেটের সাথে) 141
বিস্তারিত তথ্য
  • ডি-টাইপ থ্রু এক্সেল রিয়ার হাব মোটর
  • ডি-টাইপ থ্রু এক্সেল রিয়ার হাব মোটর
Ningbo Yinzhou HENTACH Electromechanical Co., Ltd. Product Parameters Ningbo Yinzhou HENTACH Electromechanical Co., Ltd. Drawing Ningbo Yinzhou HENTACH Electromechanical Co., Ltd. Contact Us

মূল তথ্য

রেট পাওয়ার 220-250
রেটেড ভোল্টেজ 36-48
চাকার ব্যাস 20-28
গতি পরিসীমা 25-32
সর্বোচ্চ টর্ক <50NM
গিয়ার অনুপাত 6.3
ওজন (কেজি) 2.4 (ক্যাসেট সহ)

ইনস্টলেশন পরামিতি

ব্রেক ডিস্ক ব্রেক
টর্ক সেন্সর ক্যাসেট হ্যাঁ
ক্যাবলিং রুট এক্সেল সাইড বাম
স্পোক হোল 2-18-Ф3.2
জলরোধী রেটিং IP54 (IP65 পর্যন্ত)
ফ্লাইহুইল/স্প্রকেট হুইল ক্যাসেট 7-12 গতি/ক্যাসেট 7-12 গতি
সার্টিফিকেট TUV/EN15194/RoHS

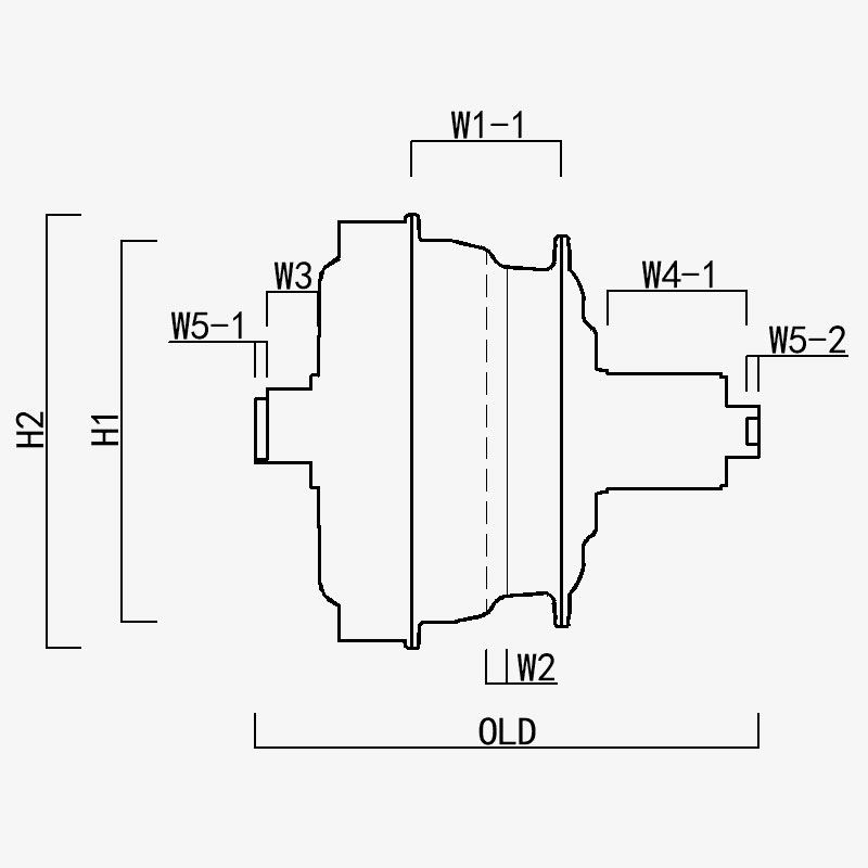
H1/ OD: 112
H2/মোটর OD: 128
W1(-1/-2): 44
W2: 6
W3: 15.25
W4(-1/-2): 42.5
W5(-1/-2): 3.5
পুরাতন: 141
এক্সেল দৈর্ঘ্য: 148
Ningbo Yinzhou HENTACH Electromechanical Co., Ltd.
আমাদের সাথে যোগাযোগ করুন
  • জমা দিন এবং পাঠান
Ningbo Yinzhou HENTACH Electromechanical Co., Ltd.
আমাদের আলাদা করে কী করে
  • পেটেন্ট প্লাস্টিকের ইস্পাত গিয়ার: নাইলন গিয়ারের 5 গুণ টর্ক; জীবনকাল 40,000 কিলোমিটারের বেশি; কম বিক্রয়োত্তর সেবা

  • বাহ্যিক রটার মোটর: অভ্যন্তরীণ রটারের তুলনায় আরও স্থিতিশীল কাঠামো এবং কম ব্যর্থতার হার

  • স্ট্যান্ডার্ড 10 মিমি ব্যারেল শ্যাফ্ট স্ট্রাকচার, হালকা এবং ছোট, 142 মিমি গিয়ার খোলার সাথে, >50NM এর টর্ক অর্জন করতে পারে, বাজারে সবচেয়ে বড় টর্ক সহ 250w ব্যারেল শ্যাফ্ট মোটর

আমরা কে এর চেয়ে বেশি 20 বছর উৎপাদন অভিজ্ঞতা।

Ningbo Yinzhou HENTACH Electromechanical Co., Ltd. (পূর্বে Hengtai Motor) 1995 সালে প্রতিষ্ঠিত এবং পূর্বে "Hengtai Motor" (আমাদের কোম্পানির চীনা নাম) নামে পরিচিত, আমরা আনুষ্ঠানিকভাবে 2020 সালে ইংরেজি নাম "HENTACH Motor" গ্রহণ করেছি। উভয় নামই 30 বছরেরও বেশি সময় ধরে ইলেক্ট্রোমেকানিকাল উদ্ভাবনের জন্য নিবেদিত একই বিশ্বস্ত প্রস্তুতকারকের প্রতিনিধিত্ব করে। ক্ষুদ্র DC মোটর, বৈদ্যুতিক/মোটরসাইকেল হাব মোটর, এবং বৈদ্যুতিক যানবাহনের জন্য অ্যালুমিনিয়াম-ম্যাগনেসিয়াম অ্যালয়গুলির কাস্টিং এবং নির্ভুল প্রক্রিয়াকরণে বিশেষীকরণ করে, আমরা একটি কঠোর ISO 9001 মান নিয়ন্ত্রণ ব্যবস্থা, পরিপক্ক ব্যবস্থাপনা অনুশীলন এবং অত্যাধুনিক উত্পাদন/পরীক্ষাযোগ্য সমাধানগুলিকে পুনরায় সরবরাহ করার জন্য একত্রিত করি।

With end-to-end capabilities spanning from raw material casting to final product delivery, we serve diverse markets including e-bikes, cargo vehicles, AGVs, golf cars, agricultural machinery, and e-karting. Our 9,000+㎡ campus (5,000㎡ built area) houses over 60 units of advanced production equipment, including 500-ton die-casting machines, precision CNC machine tools, laser marking systems, micro-arc oxidation lines, and two dedicated electric vehicle motor test benches. This infrastructure ensures efficient production and strict compliance with international quality standards.

HENTACH (Hengtai) এ, আমরা উচ্চ-মানের উপকরণ এবং মালিকানাধীন প্রযুক্তিকে অগ্রাধিকার দিই—আমাদের পেটেন্ট নাইলন-স্টিল গিয়ার আমাদের প্রকৌশল উৎকর্ষতার প্রমাণ। স্থায়িত্ব যাচাই করার জন্য, আমরা একবার 30,000 মাইলের বেশি মোটরগুলির জন্য একটি মাইলেজ গ্যারান্টি প্রোগ্রাম চালু করেছি। ফলাফল? 50 টিরও বেশি মোটর শুধুমাত্র এই মানদণ্ডটি পূরণ করেনি বরং এটিকে অতিক্রম করেছে, কিছু একটি চিত্তাকর্ষক 50,000 মাইল পর্যন্ত পৌঁছেছে। এই বাস্তব-বিশ্বের পারফরম্যান্স নির্ভরযোগ্যতার উপর আমাদের অটল ফোকাসকে প্রতিফলিত করে এবং আমাদেরকে আরও স্মার্ট, শক্তিশালী মোটর সমাধানের জন্য ক্রমাগত উদ্ভাবন করতে অনুপ্রাণিত করে।
বিশ্বব্যাপী Hengtai Motor এবং HENTACH মোটর নামে পরিচিত ব্র্যান্ডটিকে বিশ্বাস করুন—যেখানে পেটেন্ট করা স্টিল গিয়ার উদ্ভাবন প্রমাণিত স্থায়িত্ব পূরণ করে।

দ্বারা প্রত্যয়িত সার্টিফিকেশন